LVSZG型中心傳動刮泥機

用途:
LVSZG型中心傳動刮泥機適用于中心進水、周邊出水、中心排泥的小、中型池徑的輻流式沉淀池,主要用于城鎮(zhèn)污水處理廠或工業(yè)廢水處理工程沉淀池排泥。
結構及工作原理:
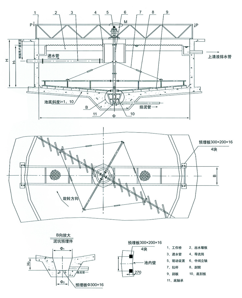
該設備采用中心傳動,污水從工作橋下流入水管,經導流筒擴散后,均勻地向周邊呈輻射狀流出。呈懸浮狀的污泥經沉淀后沉積于池底,驅動裝置帶動中心立軸旋轉,并帶動刮臂及刮泥機板轉動,刮板將污泥刮集后由吸泥管依靠池內靜水壓抽吸至集泥槽內排入中心泥缸,再通過中心排泥管排出池外,水面的浮渣通過旋轉撇渣裝置導入排渣斗內排出池外,而上清液則通過三角形出水堰板溢入出水槽內排出。
型號說明:
LVSZG型中心傳動刮泥機適用于中心進水、周邊出水、中心排泥的小、中型池徑的輻流式沉淀池,主要用于城鎮(zhèn)污水處理廠或工業(yè)廢水處理工程沉淀池排泥。
結構及工作原理:
該設備采用中心傳動,污水從工作橋下流入水管,經導流筒擴散后,均勻地向周邊呈輻射狀流出。呈懸浮狀的污泥經沉淀后沉積于池底,驅動裝置帶動中心立軸旋轉,并帶動刮臂及刮泥機板轉動,刮板將污泥刮集后由吸泥管依靠池內靜水壓抽吸至集泥槽內排入中心泥缸,再通過中心排泥管排出池外,水面的浮渣通過旋轉撇渣裝置導入排渣斗內排出池外,而上清液則通過三角形出水堰板溢入出水槽內排出。
型號說明:

主要記述參數和安裝尺寸表:

主要特點:
工作橋采用全橋式,其材質可采用碳鋼,不銹鋼或混泥土結構;
驅動裝置采用立式三級擺線針輪減速機或由斜齒輪減速機與渦輪減速機組合,保證輸出扭矩及轉速;
刮板采用直線型刮板;
刮泥機立軸下端設有水下軸承和刮刀,避免立軸轉動時的偏擺及集泥槽內污泥積實;
設置機械和電氣雙重過載保護,運轉安全可靠;
設備操作簡單,可直接就地遠程控制設備的運行,直接對設備進行控制。
外形安裝尺寸圖:
工作橋采用全橋式,其材質可采用碳鋼,不銹鋼或混泥土結構;
驅動裝置采用立式三級擺線針輪減速機或由斜齒輪減速機與渦輪減速機組合,保證輸出扭矩及轉速;
刮板采用直線型刮板;
刮泥機立軸下端設有水下軸承和刮刀,避免立軸轉動時的偏擺及集泥槽內污泥積實;
設置機械和電氣雙重過載保護,運轉安全可靠;
設備操作簡單,可直接就地遠程控制設備的運行,直接對設備進行控制。
外形安裝尺寸圖:

上一篇:LVZBG型周邊傳動刮泥機
下一篇:LVSHG型行車式刮渣(刮泥)機